
| ○ | 精度等級:DIN 6 | ○ | 齒面硬度:55~60HRC | |||
| ○ | 齒型:標準全齒深齒 | ○ | 熱處理:高周波 | |||
| ○ | 壓力角:20° | ○ | 齒面精加工:研磨 | |||
| ○ | 左旋角:19.528° | ○ | 齒研基準面:軸徑 | |||
| ○ | 材質:20CrMnTi | ○ | 追加工:可 | |||

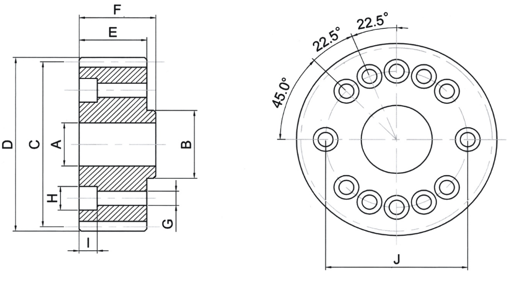
| I | J |
周長 L |
變位系數 X |
重量 Kg |
產品型號 Catalog NO. |
| 14 | 63 | 266.69 | 0.3792 | 1.0 | HGD280-M2-40-31.5 |
| 14 | 63 | 300.00 | 0.3267 | 1.4 | HGD280-M2-45-31.5 |
| 10 | 63 | 300.00 | 0 | 1.5 | HGD280-M3-30-20 |
|
產品型號 Catalog NO. |
模數 M |
齒數 Z |
內徑 Bore |
轂徑 Hua dia |
節圓直徑 Pitch. dia |
外徑 Out. dia |
齒幅 Width |
總長度 Length |
G | H |
| Ah6 | Bh6 | C | D | E | G | |||||
| HGD280-M2-40-31.5 | 2 | 40 | 31.5 | 40 | 84.90 | 90 | 26 | 30 | 6.6 | 11 |
| HGD280-M2-45-31.5 | 2 | 45 | 31.5 | 40 | 95.50 | 100 | 26 | 30 | 6.6 | 11 |
| HGD280-M3-30-20 | 2 | 30 | 20 | 40 | 95.49 | 101.49 | 35 | 39 | 6.6 | 11 |